REXROTH阀A-VBSO-SE-30-FC2-PI-PL系列技术参数
Technical data | |
Hydraulic | |
Max. operating pressure | 350 bar (5000 psi) |
Max. flow | 60 l/min (16 gpm) |
Relief setting: at least 1.3 times the load induced pressure | |
General | |
Manifold materia | Steel |
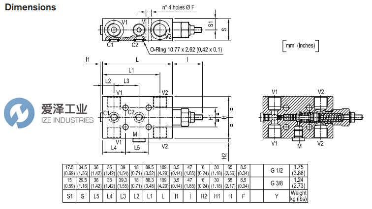
Weight | 1.75 kg (3.86 lbs) |
Fluid temperature range | between -30 °C (-22 °F) and +100 °C (212 °F) |
REXROTH阀A-VBSO-SE-30-FC2-PI-PL系列规格尺寸

REXROTH阀A-VBSO-SE-30-FC2-PI-PL系列选型

REXROTH阀A-VBSO-SE-30-FC2-PI-PL系列其他常用型号:
REXROTH 083960030220000 R930006768
REXROTH 083960030235000 R930006444
REXROTH 083960030320000 R930006772
REXROTH 083960030335000 R930006773
REXROTH valve NEW + ORIGINAL+ ONE YEAR WARRANTY
爱泽工业成立于2010年,定位于向先进制造工业提供高端制造技术和设备。代理经营世界先进的电气自动化、机械与传动、流体控制、仪器仪表、工具等产品。作为电气,液压以及气动解决方案的合作伙伴,我们利用我们的全球协作团队,为客户提供先进解决方案,市场知识以及相关增值服务来帮助优化客户的工作效率,提高可靠性和安全性,致力于成为工业产品和解决方案的优质渠道。
如果有任何关于REXROTH阀083960030335000 R930006773的疑问,请随时与我们沟通(021-31006702)。我们将尽全力解决您的问题。
If you have any question for REXROTH products, please feel free to dial 0086-21-3100 6702/ send request email to sales@ize-industries.com / browse our website: www.ize-industries.com.
REXROTH阀083960030335000 R930006773技术参数及选型

































沪公网安备31011002006738号