JOHNSON FLUITEN成立于2003年,设计、制造和销售适用于水、导热油、冷却液、液压油、空气和其他流体的旋转接头。JOHNSON FLUITEN旋转接头产自意大利。
JOHNSON FLUITEN旋转接头RH031023542技术参数
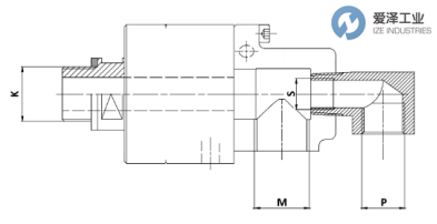
Flow | Dual Passage Fixed Syphon |
Rotor (K) | Quick Release (JF) |
Inlet M | G 1-1/4" RH (ISO 228-1) |
Seal Package | B4 |
Manufacturer | Johnson-Fluiten |
Country of Origin | Italy |
Joint Size | 1-1/4" |
Outlet P | G 3/4" RH (ISO 228-1) |
Syphon S | G 1/2" RH (ISO 228-1) |
Fluid | Water, Thermal Oil |
Temperature (max) | 180°C |
JOHNSON FLUITEN旋转接头RH系列介绍
RH接头最常用于热水或导热油加热气缸。它有单通道和双通道版本,配备旋转或固定式虹吸管。这使得流体的入口和出口位于机器的同一侧。接头可以是螺纹连接,也可以是法兰连接。这取决于具体应用场合和当地要求。
The RH joint is most commonly used for heating cylinders with hot water or thermal oil. It comes in single-channel and double-channel versions, equipped with either rotating or fixed siphon tubes. This places the fluid's inlet and outlet on the same side of the machine. The joint can be a threaded connection or a flange connection, depending on the specific application and local requirements.
JOHNSON FLUITEN旋转接头RH系列其他常用型号:
JOHNSON FLUITEN RH031023542
JOHNSON FLUITEN RH009020675
JOHNSON FLUITEN RH009020681
JOHNSON FLUITEN RH009020674
JOHNSON FLUITEN RH009020697
JOHNSON FLUITEN RH009020688
JOHNSON FLUITEN RH012014451
JOHNSON FLUITEN RH012020689
JOHNSON FLUITEN RH019015652
JOHNSON FLUITEN RH031020902
JOHNSON FLUITEN RH031020913
JOHNSON FLUITEN RH031020928
JOHNSON FLUITEN RH031020930
JOHNSON FLUITEN RH031023693
JOHNSON FLUITEN RH038007158
JOHNSON FLUITEN RH038007794
JOHNSON FLUITEN Rotary joint NEW + ORIGINAL+ ONE YEAR WARRANTY
爱泽工业集产品开发、设计、制造、销售、服务于一体,代理经营世界先进的电气自动化、机械与传动、流体控制、仪器仪表、工具等产品。作为电气,液压以及气动解决方案的合作伙伴,我们利用我们的全球协作团队,为客户提供先进解决方案,市场知识以及相关增值服务来帮助优化客户的工作效率,提高可靠性和安全性,致力于成为工业产品和解决方案的优质渠道。
如果有任何关于JOHNSON FLUITEN旋转接头RH031023542的疑问,请随时与我们沟通(021-31006702)。我们将尽全力解决您的问题。
If you have any question for JOHNSON FLUITEN products, please feel free to dial 0086-21-3100 6702/ send request email to sales@ize-industries.com / browse our website: www.ize-industries.com.
JOHNSON FLUITEN旋转接头RH系列RH031023542技术参数及介绍

沪公网安备31011002006738号