TESCOM是精密压力控制调节器,阀门和系统的优质制造商之一。该公司成立于1916年, 2005年被EMERSON收购。
主营业务:
TESCOM压力调节器
TESCOM阀门
TESCOM阀块
TESCOM压力系统。
OPERATING PARAMETERS | |
Maximum Inlet Pressure | 10,000 psig / 690 bar |
Outlet Pressure Ranges | 50-6000 psig 3.4-414 bar |
Design Proof Pressure | 150% maximum rated inlet |
Leakage | Bubble-tight |
Operating Temperature | -30°F to 140°F / -34°C to 60°C |
Flow Capacity | Cv = 0.06 |
Maximum Operating Torque | 35 in-lbs / 3.95 N•m |
MEDIA CONTACT MATERIALS | |
Body | 303 Stainless Steel |
Filter | 15 micron (nominal) - 316 Stainless Steel |
Main Valve Seat | Polyimide (Vespel®) |
Vent Valve Seat | PCTFE |
O-Rings | Nitrile, Buna-N |
Back-up Rings | PTFE |
Remaining Parts | 300 Series Stainless Steel |
OTHER | |
Cleaning | CGA 4.1 and ASTM G93 |
Weight | 4.8 lbs / 2.2 kg |
TESCOM调压阀44-1100系列介绍
TESCOM 44-1100系列高压、低流量排气调节器采用活塞感应设计,控制压力为0 - 6,000 psig / 0- 414 bar,低扭矩设置和大把手。提供多种压力范围套件。
• 可拆卸的阀门组件模块便于维修
• 通过广泛的压力设置提供出色的灵敏度
• 活塞式传感器提供额外的安全性和可靠性
• 不平衡阀杆有助于正向关闭
• 入口和出口压力表端口是标准的
• 通风是标准的
• 在所有压力范围内,调节器排气至零 psig / bar
TESCOM 44-1100 Series high pressure, low flow venting regulator offers a piston sensed design, control pressures of 0 - 6,000 psig / 0- 414 bar, a low torque setting and large handknob. Multiple pressure range kits are available.
• Removable valve assembly module permits easy repair
• Excellent sensitivity through a wide range of pressure settings
• Piston style sensor offers extra safety and reliability
• Unbalanced stem assists positive shutoff
• Inlet and outlet gauge ports are standard
• Venting is standard
• Regulator vents to zero psig / bar in all pressure ranges
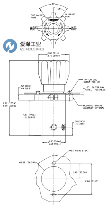
TESCOM调压阀44-1100系列技术尺寸及选型
TESCOM调压阀44-1100系列其他常用型号:
TESCOM 44-1111-24
TESCOM 44-1112-24
TESCOM 44-1113-24
TESCOM 44-1114-24
TESCOM 44-1115-24
TESCOM 44-1116-24
TESCOM 44-1124-24
TESCOM 44-1125-24
TESCOM 44-1126-24
TESCOM 44-1165-24
TESCOM 44-1165-24-001
TESCOM Regulator NEW + ORIGINAL+ ONE YEAR WARRANTY
爱泽工业成立于2010年,定位于向制造工业提供高端制造技术和设备。代理经营世界优质的电气自动化、机械与传动、流体控制、仪器仪表、工具等产品。作为电气,液压以及气动解决方案的合作伙伴,我们利用我们的全球协作团队,为客户提供先进解决方案,市场知识以及相关增值服务来帮助优化客户的工作效率,提高可靠性和安全性,致力于成为工业产品和解决方案的优质渠道。
如果有任何关于TESCOM调压阀44-1125-24的疑问,请随时与我们沟通(021-31006702)。我们将尽全力解决您的问题。
If you have any question for TESCOM products, please feel free to dial 0086-21-3100 6702/ send request email to sales@ize-industries.com / browse our website:www.ize-industries.com.
TESCOM调压阀44-1100系列44-1125-24技术参数及选型

沪公网安备31011002006738号