CYTEC成立于1984年,CYTEC核心组件应用广泛,例如可应用在工具制造和模具制造、汽车行业以及航空航天技术领域,现已发展成为一家拥有生产、销售和服务国际网络的跨国公司。
| |
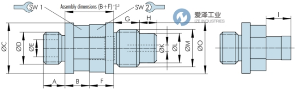
Male fitting | |
Order-no. | QC/M14-N |
A | 12 |
B | 10 |
ØC | 32 |
ØD | M 22x1,5 |
ØE | 15.9 |
I | 17.9 |
SW1 | 28 |
CYTEC快速接头QC系列其他常用型号:
CYTEC QC/M06-N
CYTEC QC/M08-N
CYTEC QC/M10-N
CYTEC QC/M12-N
CYTEC QC/M14-N
CYTEC QC/M16-N
CYTEC QC/M06-H
CYTEC QC/M08-H
CYTEC Quick-action couplers NEW + ORIGINAL+ ONE YEAR WARRANTY
爱泽工业成立于2010年,定位于向制造工业提供高端制造技术和设备。代理经营世界优质的电气自动化、机械与传动、流体控制、仪器仪表、工具等产品。作为电气,液压以及气动解决方案的合作伙伴,我们利用我们的全球协作团队,为客户提供先进解决方案,市场知识以及相关增值服务来帮助优化客户的工作效率,提高可靠性和安全性,致力于成为工业产品和解决方案的优质渠道。
如果有任何关于CYTEC快速接头QC/M14-N的疑问,请随时与我们沟通(021-31006702)。我们将尽全力解决您的问题。
If you have any question for CYTEC products, please feel free to dial 0086-21-3100 6702/ send request email to sales@ize-industries.com / browse our website:www.ize-industries.com.
CYTEC快速接头QC/M14-N技术参数及介绍

沪公网安备31011002006738号